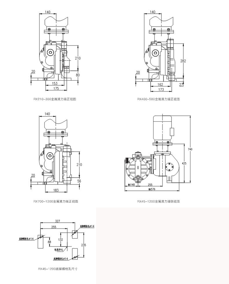
南方計量泵

南方RX系列液壓隔膜計量泵
應用領域:適用于環保、石油化工、化工、煉油、電力、冶金、醫藥、食品、水處理等領域。
材質:不銹鋼, 氟塑料, 其他材料
性能及優點:1、最大流量:1250l/h
2、最高排出壓力:211bar
3、調節比10:1,穩態精度±1%
應用領域:
適用于環保、石油化工、化工、煉油、電力、冶金、醫藥、食品、水處理等領域。
材質:
不銹鋼, 氟塑料, 其他材料
性能及優點:
1、最大流量:1250L/h
2、最高排出壓力:211bar
3、調節比10:1,穩態精度±1%
4、吸入提升高度最大可達2m水柱
產品說明:
1、采用蝸輪蝸桿結構減速,保證機械傳動部件連續平穩工作;蝸輪與偏心以總成形式安裝,保證精確的行程距離,同時便于拆卸維護
2、設計與管路并聯式的單向閥結構可選,在單向閥維護時,可單獨拆卸單向閥,無需同時拆卸管路
3、液壓驅動隔膜,隔膜壽命更長
4、內置可調式安全閥充分保護隔膜及泵頭部件,避免因超壓而損壞,在正常情況下,允許出口管路不安裝安全閥
5、采用油浴潤滑,驅動部件工作壽命長
6、在停機或運行狀態下均可實現流量調節
7、可選壓力式雙隔膜檢測(就地/遠程)報警
技術參數:
1、最大流量:1250L/h
2、最高排出壓力:211bar
3、調節比10:1,穩態精度±1%
4、吸入提升高度最大可達2m水柱




相關產品


